17 AC Operated LVDT Sensor
Introduction:17 Series AC LVDTs feature a compact package design for applications with size constraints. The low mass core also makes them well suited for dynamic applications.Features:- Magnetically
Introduction:17 Series AC LVDTs feature a compact package design for applications with size constraints. The low mass core also makes them well suited for dynamic applications.Features:- Magnetically
Introduction:
17 Series AC LVDTs feature a compact package design for applications with size constraints. The low mass core also makes them well suited for dynamic applications.
Features:
- Magnetically shielded SS housing
- Low core mass
- Opertating with external transmitters
Applicaitions:
- Machine Tools
- Robotic Grippers
- Oil and Gas Well Monitoring
- ATMs and Copy Machines
Specification:

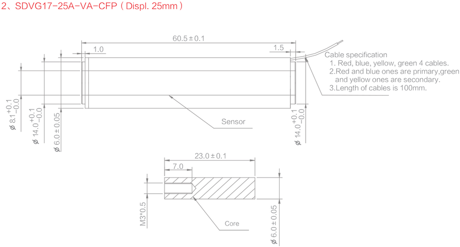
Dimension:




Connetion:


Cautions:
1 An original core is compatible with an original sensor, casual cutting is now allowed.
2 The materi al of connecting rods must be non-magnetic such as SS304 and SS316. The lengthof the rod can be customized. Standard thread is M3*0.5 female.